Fernscheinwerfer im Grill |
Phago_Z
Zahlenjongleur
Dabei seit: 29.09.11
Herkunft: Berlin
 |
|
| Fernscheinwerfer im Grill |
 |
Hallo Leute
ich wollte mal gucken, ob jemand schonmal Zusatzscheinwerfer in den Kühlergrill eingelassen hat.
möchte mir fernscheinwerfer einbauen, die aber nicht auf der Stoßstange montieren, weil ich das nicht schön finde.
die Idee ist jetzt, einen Kühlergrill von hinten mit Befestigungen auszustatten, um die Scheinwerfer dort einzulassen.
(natürlich aus dem Grill dann den Kreis ausschneiden)
vorbild für das ganze wäre wohl am ehesten der Mustang.
oder der Knudsen Taunus hatte auch Zusatzscheinwerfer im Grill...
also nochmal zum Kern der Frage: hat jemand das schonmal gemacht und damit Erfahrungen gesammelt?
wenn ja, wie genau wurde es verwirklicht?
und welche Scheinwerfer wurden benutzt?
Grüße aus Berlin
Phago
__________________ 1970er Kadett B 1.1S Limo Automatic
1958er Wartburg 311 4-door sedan (resto-projekt)
|
|
28.11.11 19.26 |
|
|
|
|
der Brabham Kadett hatte sowas in der Art
|
Greenie hat dieses Bild (verkleinerte Version) angehängt: |
|
Dateigröße:
Dateiname: KadB_713.jpg
|
|
|
|
|
28.11.11 19.29 |
|
|
Phago_Z
Zahlenjongleur
Dabei seit: 29.09.11
Herkunft: Berlin
Themenstarter
 |
|
jau soweit man das erkennen kann, würd ich sagen, das ich mir das so vorgestellt hab :D
jetzt ist nur noch die frage, wie mans verwirklicht
__________________ 1970er Kadett B 1.1S Limo Automatic
1958er Wartburg 311 4-door sedan (resto-projekt)
|
|
28.11.11 19.32 |
|
|
|
|
hmmm weis ich jetzt auch nicht genau...aber sooo schwieig kann das nicht sein...ich weis nur der hatte die gleichen Zeirringe um die Zusatzscheinwerfer wie sie aussen an den Hauptscheinwerfern dran waren.....ich such mal nach einem besserem Bild....
|
|
28.11.11 19.53 |
|
|
|
|
mal ein besseres Bild.....geh mal in die Suche nach Brabham Kadett...da ist auch ein Bericht im Forum....
|
Greenie hat dieses Bild (verkleinerte Version) angehängt: |
|
Dateigröße:
Dateiname: brabhamkadett15za.jpg
|
|
|
|
|
28.11.11 20.04 |
|
|
Phago_Z
Zahlenjongleur
Dabei seit: 29.09.11
Herkunft: Berlin
Themenstarter
 |
|
ja so ungefähr dachte ich mir das auch...
nur halt ohne die lampenringe, die sehen da irgendwie fehl am platz aus oder???
__________________ 1970er Kadett B 1.1S Limo Automatic
1958er Wartburg 311 4-door sedan (resto-projekt)
|
|
28.11.11 21.45 |
|
|
trausti

Dabei seit: 28.10.05
Herkunft: Pfaffenhofen/Ilm
 |
|
Hallo,
Im Jahr 1986 war ich noch kreativ (und dumm). Einem Kadett B-Caravan, der eigentlich nur 1 1/2 Monate Türkeiurlaub überleben sollte, wollte ich dafür möglichst billig etwas mehr Licht verpassen. Da ich keine Ahnung hatte, was der TÜV dazu sagt, hab ich das zweite Scheinwerferpaar erst unterwegs montiert. Den Grill hab ich noch zu Hause einfach passend rund ausgeschnitten (also ohne Blenden) und einfache Halterungen aus Baumarktwinkeln montiert.
Ausgesehen hat der Kadett richtig gut. Ich muss mal schaun, ob ich noch Bilder finde.
Haken an der Sache: Die Scheinwerfer waren zwar dran, blieben aber bis zum Urlaubsende ohne Stromversorgung.
Und zu Hause wurden sie sofort wieder abmontiert. Der Grill mit den Löchern blieb noch ca 2 Jahre, der Kadett sogar noch 4 Jahre.
Diesen "Umbau" hatte ich völlig vergessen, bis dieser Beitrag auftauchte.
Grüße Christian
__________________ Kadett B Caravan beige 1,1 N Bj 69; Kadett B LF blau Bj 69; Rekord P2 Olympia grau 1,5 Bj 61; John Deere 2040 Bj 81 (neueste Erwerbung); LT 31 Florida
|
|
28.11.11 22.33 |
|
|
örni
Bratbär

Dabei seit: 06.07.07
Herkunft: Nottuln
 |
|
ich würde da mal bei vw schauen, da gab es diese Scheinwerferanordnung im golf und Polo 2.
Oder mal beim alten 3er Bmw schaun.
Am besten erstmal die teile besorgen und dann halt drauflosbasteln.
grüße Björn
__________________ Lieber ROST als PLASTIK !!!
Der Kunde hat ein Recht auf ordentlichen Pfusch!
|
|
28.11.11 22.34 |
|
|
Phago_Z
Zahlenjongleur
Dabei seit: 29.09.11
Herkunft: Berlin
Themenstarter
 |
|
@Christian
ja genau so wie du das beschrieben hast, würde ich das gerne machen.
was hast du denn da für Scheinwerfer genommen??
@Björn
na es versteht sich ja von selbst, das man sone aktion erst macht, wenn man alles zusammen hat ;)
ich hab direkt mal nen paar Fernlichter vom Golf 1 in beobachtung :D
gruß Marius
__________________ 1970er Kadett B 1.1S Limo Automatic
1958er Wartburg 311 4-door sedan (resto-projekt)
|
|
28.11.11 23.22 |
|
|
trausti

Dabei seit: 28.10.05
Herkunft: Pfaffenhofen/Ilm
 |
|
Hallo Marius,
ich hab einfach normale B-Kadett-Scheinwerfer aus dem geschlachteten Vorgänger genommen und wollte sie mit einem Zusatz-Schalter direkt an die Batterie mit zwischengehängter Sicherung anschließen.
Aus heutiger Sicht vieleicht ganz gut, dass ich im Urlaub zum Anschließen zu faul war.
Relais wäre sicherlich sinnvoller
Grüße Christian
__________________ Kadett B Caravan beige 1,1 N Bj 69; Kadett B LF blau Bj 69; Rekord P2 Olympia grau 1,5 Bj 61; John Deere 2040 Bj 81 (neueste Erwerbung); LT 31 Florida
|
|
29.11.11 00.37 |
|
|
Phago_Z
Zahlenjongleur
Dabei seit: 29.09.11
Herkunft: Berlin
Themenstarter
 |
|
jaa ein relais ist immer ne sinnvolle anschaffung für sone schaltereien
ohne würde für mich eh nicht in frage kommen.
bin ja eletrofachkraft ;)
aber die normalen Scheinwerfer kann man ja nicht als aufblend/Fernlicht nehmen oder irre ich mich da jetzt?
der Kegel ist ja völlig anders
__________________ 1970er Kadett B 1.1S Limo Automatic
1958er Wartburg 311 4-door sedan (resto-projekt)
|
|
29.11.11 01.15 |
|
|
Yogi unregistriert
 |
|
Sinnvoll sind Fernlichtscheinwerfer, Nebel sollten ja eigentlich unten sitzen.
Meine Idee zu der Sache wäre: herkömmliche Zusatzscheinwerfer (irgendwie) anbauen, den Grll ausschneiden, die Löcher mit nem Blech- oder Alustreifen entschärfen.
Ich könnte mir denken, ein Verbindung von Grill und Scheinwerfern würde wohl nicht halten, der Grill ist ja nicht gerade das stabilste Teil.
|
|
29.11.11 08.12 |
|
|
dodo9061

Dabei seit: 24.11.11
Herkunft: Ö - Baden bei Wien
 |
|
Schau dir doch mal die Scheinwerfer vom BMW E30 an die könnten von der größe recht gut passen!!
__________________ auf auf da Goas noch
|
|
29.11.11 08.27 |
|
|
Aaaaahhhndi
*'$§'$*#§&+*!!!

Dabei seit: 11.08.09
Herkunft: Wild Wild Wuppervalley
 |
|
| Zitat: |
Original von Phago_Z
na es versteht sich ja von selbst, das man sone aktion erst macht, wenn man alles zusammen hat ;)
ich hab direkt mal nen paar Fernlichter vom Golf 1 in beobachtung :D
gruß Marius |
Die sind ein Stückel zu groß, Kadett B meine ich Durchmesser Streuscheibe 16cm, und beim Golf 18cm wenn ich mich recht erinner...
__________________ ---------------- KADETT B 16V DOHC ----------------
GROSSE VORDERACHSEN FÜR UMBAUTEN AUF CIH
|
|
29.11.11 09.13 |
|
|
inspector.kadett
G´studierter Braxer

Dabei seit: 14.04.04
Herkunft: München-Obersendlin
g
 |
|
warum nicht manta A?
wenn ich mich recht erinnere gab es mal einen bericht in der oldtimermarkt oder praxis wo einem kadett die scheinwerfer hinter den grill ohne ausschnitte gesetzt wurden.
wichtig ist denk ich dass die fernscheinwerfer so geschaltet sind dass ein gemeinsames leuchten mit den abblendscheinwerfern unmöglich ist.
meine kreativität denkt hier daran einfach das kabel von der "aufblendeinrichtung" des hauptscheinwerfers abzuklemmen und dort hin umzulegen...
blödsinn?
__________________ 72er Automatic Limo 12S ,
66er Kieme (nach 10 Jahren endlich in der Mache)
71er 4T Caravan (vive-la-France!)
1,75 to. Blitz Feuerwehr, Bj 56
|
|
29.11.11 09.21 |
|
|
Ebi001
Thomas

Dabei seit: 17.11.09
Herkunft: Schöneck
 |
|
Hallo,
Ich habe mir mal welche in meinen alten Datsun eingebaut wahr bei dem kein Problen da Kunststoffgrill.
Einfach aus Zubehör Zusatzfernscheinwerfer besorgen (Hella usw.)
einfach mal in der Bucht schauen. Aber auf den Durchmesser achten, sollten ja nicht zu Groß oder zu klein sein.
Scheinwerfer so Einbauen das der Scheinwerferring aus dem Kühlergitter heraus schaut. (Besser zur Rep. der Birnen)
Scheinwerfer im Oberen bereich nach Hinten Abstützen damit sie nicht so wackeln.
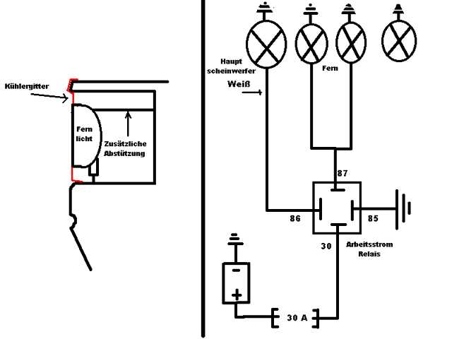
Anschluss über Arbeitsstromrelais und Fertig. (sollte bei einem Einbausatz dabei sein)
Das schlimmste an der sache ist das Kühlergitter passend Auszuschneiden.
Gruß
Thomas
|
Ebi001 hat diese Bilder (verkleinerte Versionen) angehängt: |
|
Dateigröße:
Dateiname: K640_Sunny.jpg
Dateigröße:
Dateiname: K640_Zusatzscheinwerfer.jpg
|
|
|
__________________ 4-türiger Schrägheck Olympia 11SR
Bj 1970 mit Gelben Augen www.kadett-olympia.de
|
|
29.11.11 10.45 |
|
|
Yogi unregistriert
 |
|
Mein Reden!
Manta A: Da hast zweimal Abblendlicht und zweimal Fernlicht.
|
|
29.11.11 11.01 |
|
|
Phago_Z
Zahlenjongleur
Dabei seit: 29.09.11
Herkunft: Berlin
Themenstarter
 |
|
die scheinwerfer vom e30 sind leider miteinander verbunden, also abblend und fernlicht ist ein bauteil :(
aber die Fernscheinwerfer vom Golf haben 13,5cm.
die Hauptscheinwerfer haben 17,5...
also dein gedächtnis hat dich nicht getäuscht andi ;)
aber nutzbar sind sie ja, wenn sie nur 13,5cm durchmesser haben.
ich hatte mir überlegt, hinter dem grill jeweils 2 senkrechte bleche anzubauen, an denen man dann die Scheinwerfer über die 3 laschen anschrauben kann
das angebot an Manta Scheinwerfern ist leider sehr begrenzt
__________________ 1970er Kadett B 1.1S Limo Automatic
1958er Wartburg 311 4-door sedan (resto-projekt)
|
|
29.11.11 11.45 |
|
|
|
|
Im Prinzip kann man ja x-beliebige Zusatzscheinwerfer einbauen. Da Zusatzlampen bereits Halter besitzen sollte eine Montage relativ einfach machbar sein. Natürlich sollte auf jeden Fall eine Relaisschaltung bevorzugt werden um eine Überlastung der orig. Leitungen zu vermeiden.
Die Montage im Grill hat noch einen Vorteil: falls Du es Dir anders überlegst hast Du keine Löcher in der Stoßstange oder im Frontblech, einen guten Grill findet man relativ leicht.
__________________ Gruß
Wolfgang
Kadett mit OHV-Motor!
|
|
29.11.11 17.06 |
|
|
Phago_Z
Zahlenjongleur
Dabei seit: 29.09.11
Herkunft: Berlin
Themenstarter
 |
|
genauso seh ich das auch.
ich hab ja sogar 2 grill
__________________ 1970er Kadett B 1.1S Limo Automatic
1958er Wartburg 311 4-door sedan (resto-projekt)
|
|
29.11.11 19.43 |
|
|
|