|
 |
Transistorzündung selber bauen?! |
MsSuperman unregistriert
 |
|
| Transistorzündung selber bauen?! |
 |
Hi.
In meinem B war vom Vorbesitzer ne Selbstgebaute Transitorz?ndung eingebaut. Als ich das OBO-Verteilerkästchen aufgemacht habe, habe ich mich ja fast weggeschmie?en
. Die Schaltung sah wie von einem Kindergartenkind aufgebaut aus, mit irgendwelchen Teilen als Kühlkörper usw. Tztz.
Aber was solls, sie funktioniert wunderbar.
Also hab ich alle Bauteile abgelötet und auf ne Lochrasterplatine neu und durchdacht aufgebaut. So habe ich die Schaltung platzmäßig halbiert. Dann noch schnell ne LED mit eingebaut, damit man sieht wenns "Funkt". Nen richtigen Kühlkörper und alles in nen Gehäuse, fertig.
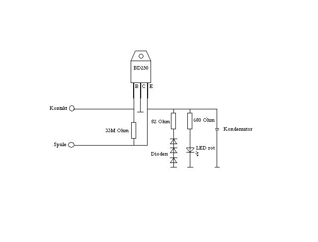
Hab mal den Schaltplan mit angehangen. Die Dioden und den Kondensator sind von der Größe her unbekannt, da die werte nicht mehr lesbar sind. (Keine Ahnung wo er die Teile ausgebaut hat. Beim anklemmen halt nur noch den Kondensator an dem Verteiler abklemmen.
Auch in der Oldtimer Praxis war mal ein Schaltplan dazu drin, der ist ein wenig anders als meiner. Sind aber auch noch einbautipss dabei.Hier mal die infos von der Oldtimer-Praxis:
Schaltplan und Infos Oldtimer Praxis
PS: Dort brennt sie LED durch, da kein Vorwiderstand (680 Ohm) drin ist. Oder man nehme eine 12V LED
|
MsSuperman hat dieses Bild (verkleinerte Version) angehängt: |
|
Dateigröße:
Dateiname: Transistorzuendung plan.jpg
|
|
|
|
|
30.08.05 12.30 |
|
|
MsSuperman unregistriert
 |
|
| RE: Transitorz?ndung selber bauen?! |
 |
Oben auf volle Bildgröße drücken, damit man alles richtig erkennt.
War mit Paint mal auf die schnelle gemacht.
Unten sieht man mein Kästchen (schwarz), neben der Zündspule.
|
MsSuperman hat dieses Bild (verkleinerte Version) angehängt: |
|
Dateigröße:
Dateiname: Zündspule.jpg
|
|
|
|
|
30.08.05 12.32 |
|
|
kolbenfresser01
Der Prinz von Ersatzteilien
Dabei seit: 21.08.04
Herkunft: Österreich / Wien
 |
|
Alter Fuchs :respekt:
__________________ In der Ruhe liegt die Kraft.
|
|
30.08.05 12.52 |
|
|
|
|
|
 |
Impressum
|